服务热线:
13996038017
网站首页
关于我们
公司简介
企业文化
营业执照
部分业绩表
公司动态技术支持
公司动态
行业资讯
电控技术资料
中央空调维修保养
油冷机冷干机维修保养
重庆空调移机加氟清洗
麦克维尔欧科维修保养
盘管及冷却塔清洗维修
开利中央空调维修保养
约克中央空调维修保养
机柜空调机房空调维修
维克欧博中央空调维修
天加盾安台佳国祥维修
螺杆、离心压缩机维修
特灵中央空调维修保养
格力美的中央空调维修
维修及工程案例
中央空调维修安装
冻库保鲜库安装维修
人才招聘
联系我们
公司动态技术支持
公司动态
行业资讯
电控技术资料
联系我们
电话:13996038017
座机:023-67183136
联系人:李经理
邮箱:471447283@qq.com
地址:重庆市渝北区紫荆路288号新城丽园3-20-6
您当前所在位置:
首页
>
公司动态技术支持
>
电控技术资料
电控技术资料
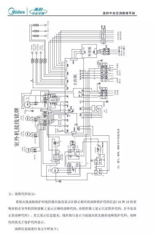
美的变频家用中央空调维修手册
点击:
5623
次
变频水系统家用中央空调
变频风管机家用中央空调
组合变频家庭中央空调
版权所有
©
重庆展超制冷设备有限公司 2013-2026 电话:13996038017
地址:重庆市渝北区紫荆路288号新城丽园3-20-6
渝ICP备18010391号-2
Design BY:
重庆网站建设
渝公网安备50011202502053号
13996038017
重庆网站设计www.cq556.com网络公司